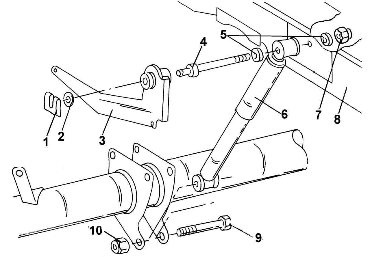
Амортизатор задний спринтер