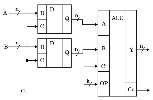
Алу содержит