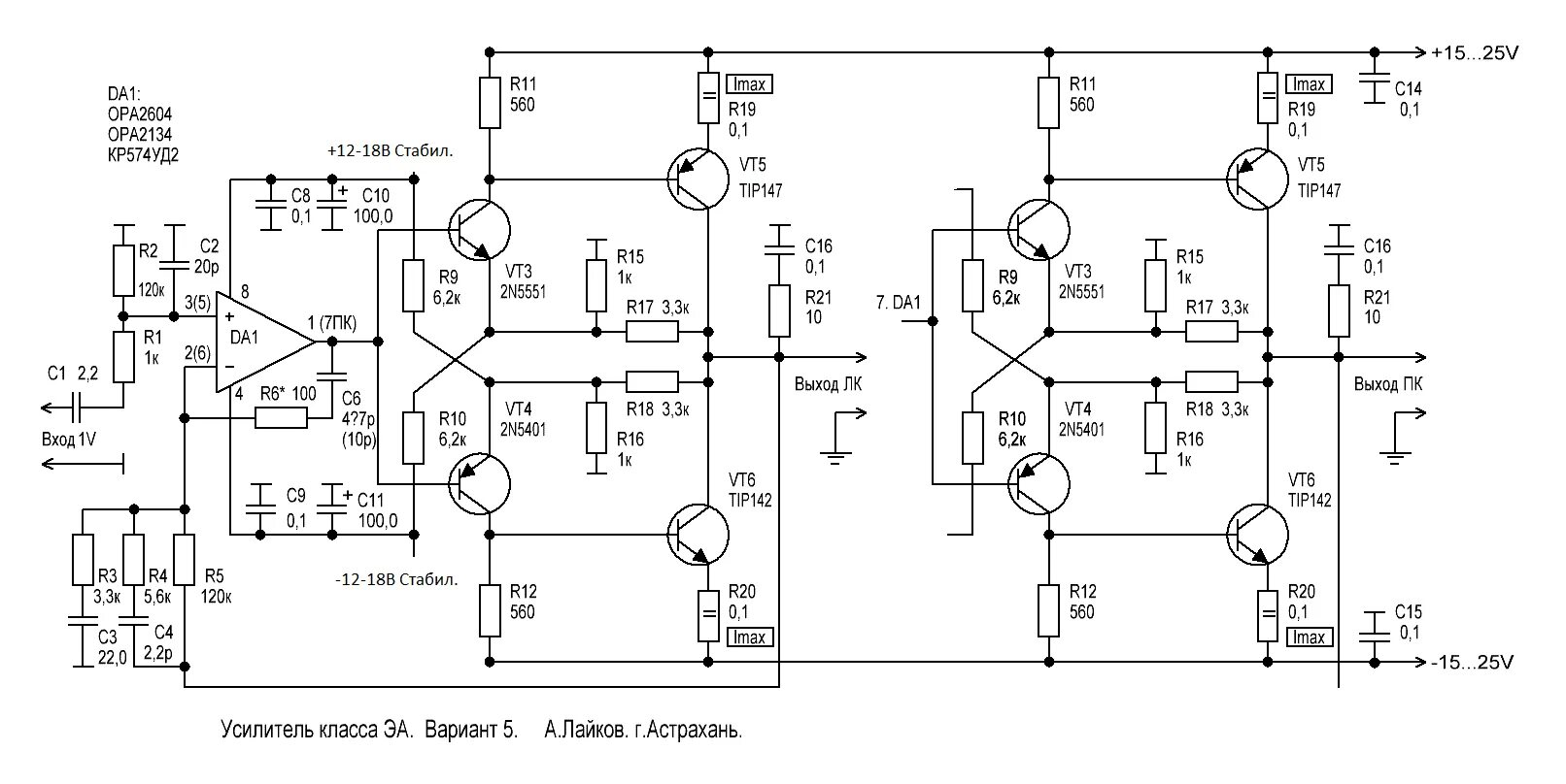
Активными элементами в схеме усилителя являются