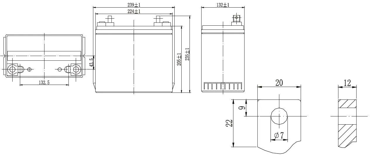
Акб тип 12