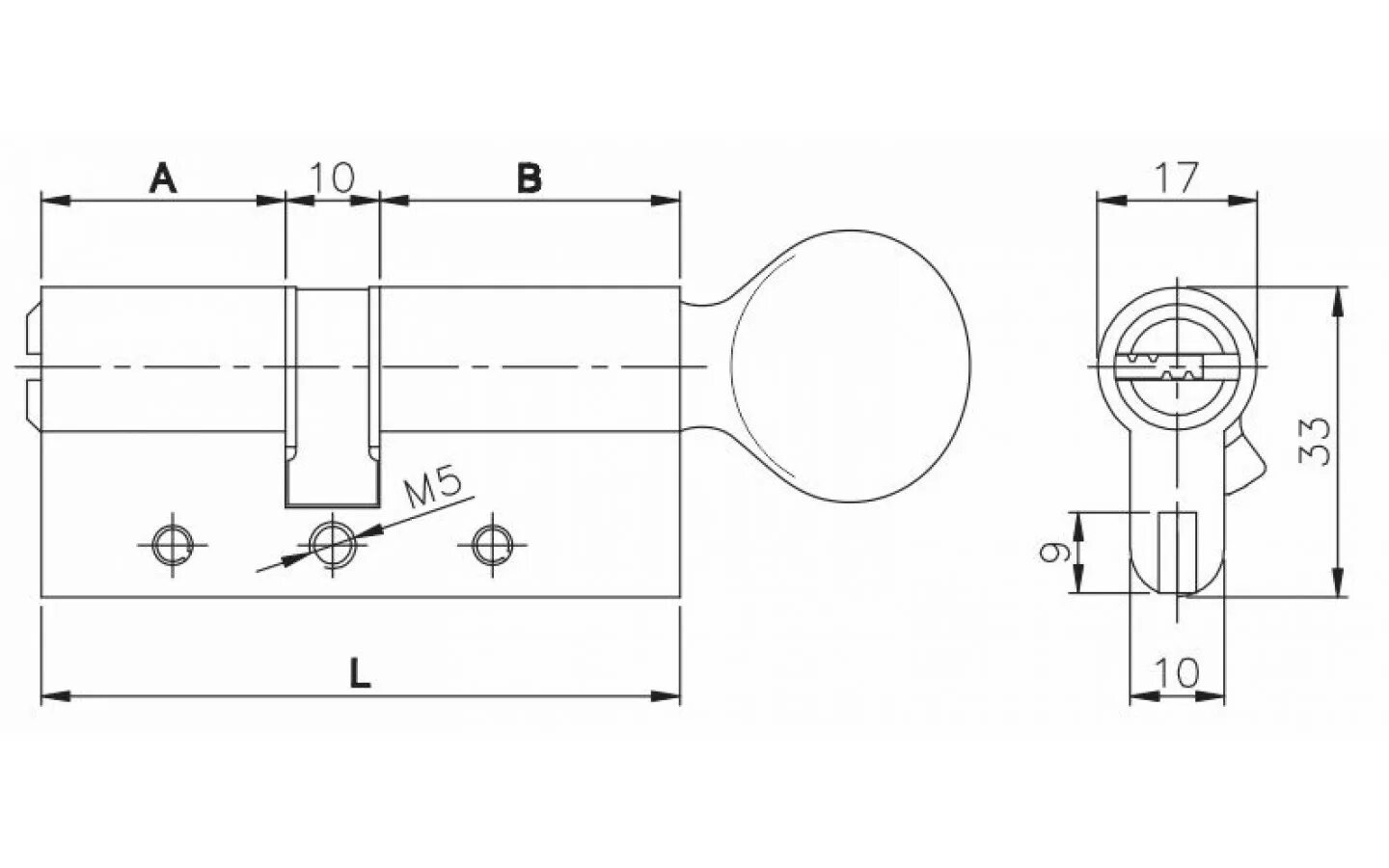
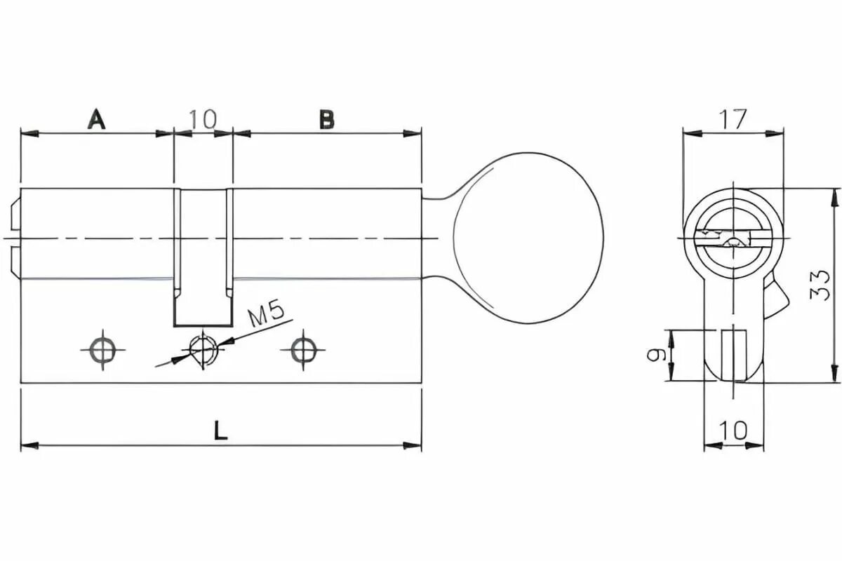
7 10 40 90