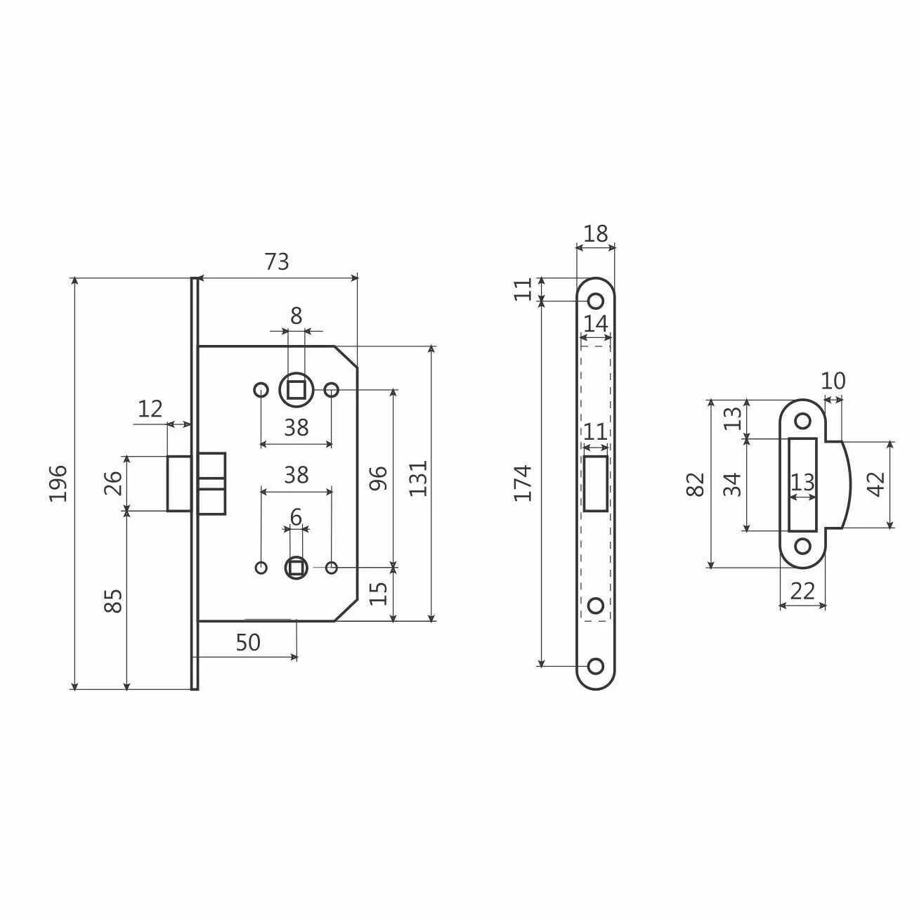
5300 mc wc