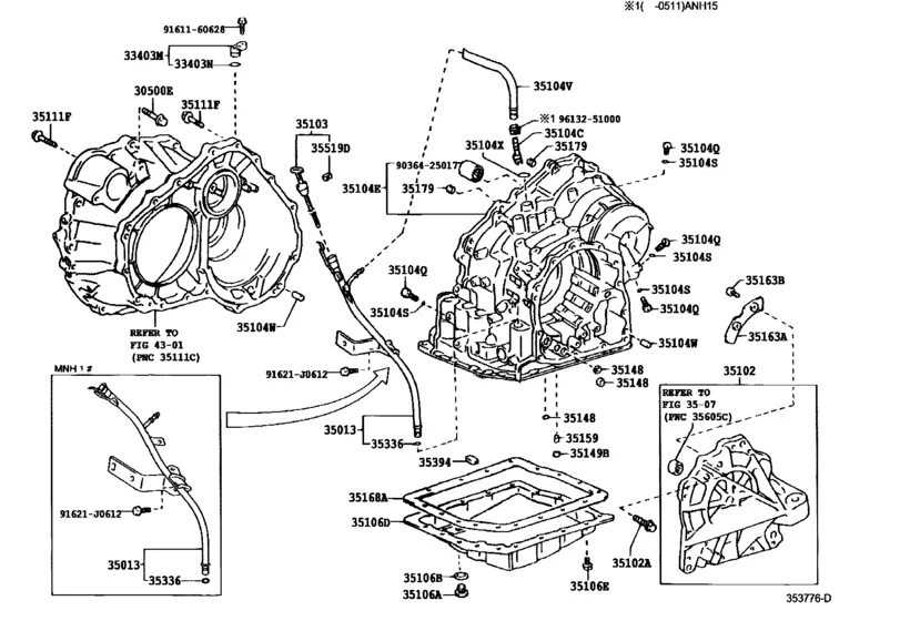
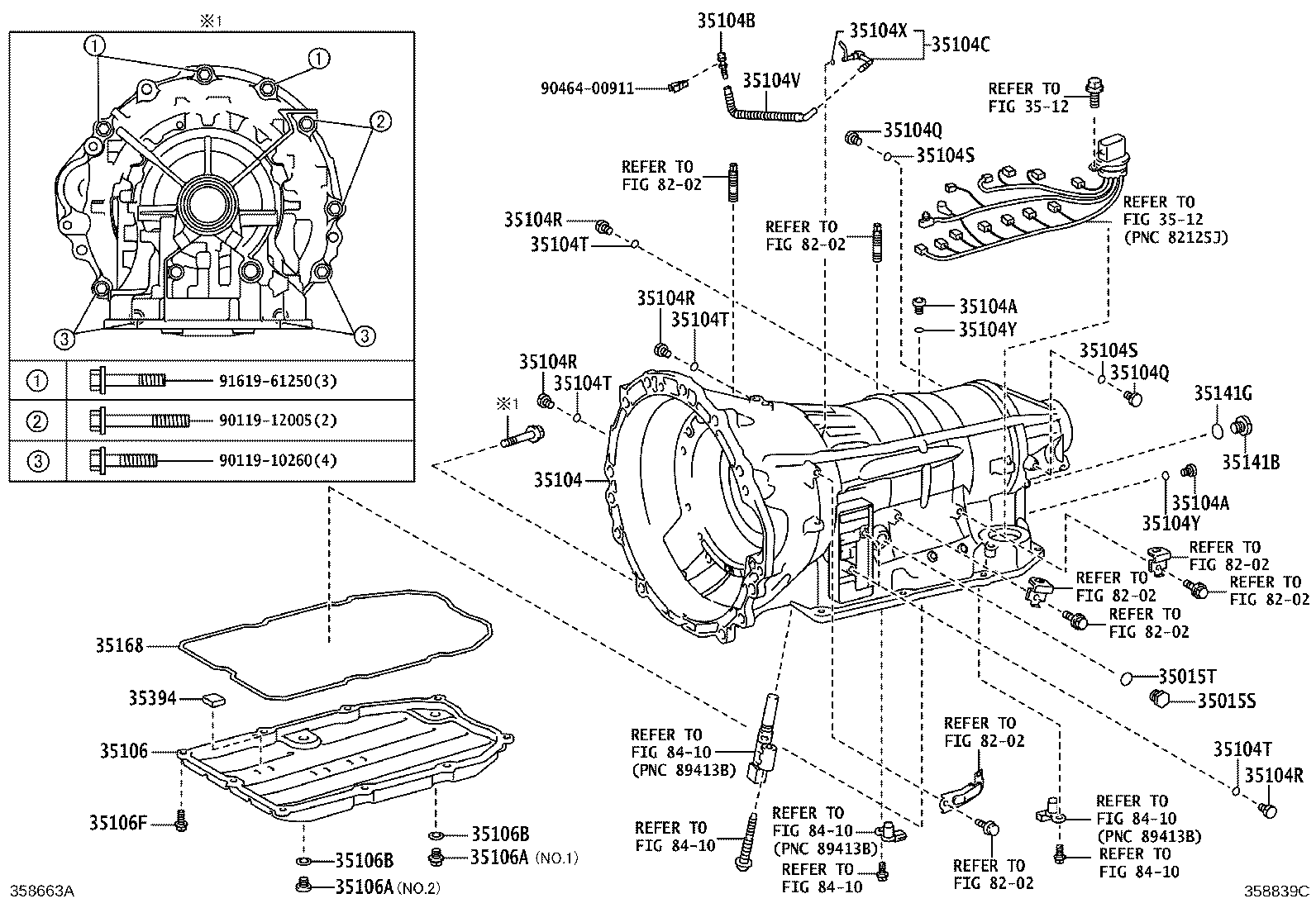
4 speed floor shift