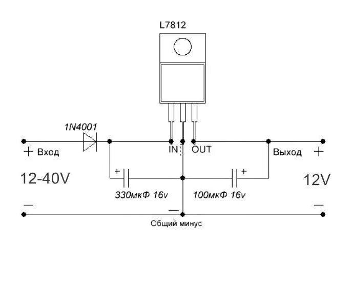
12 вольтаж