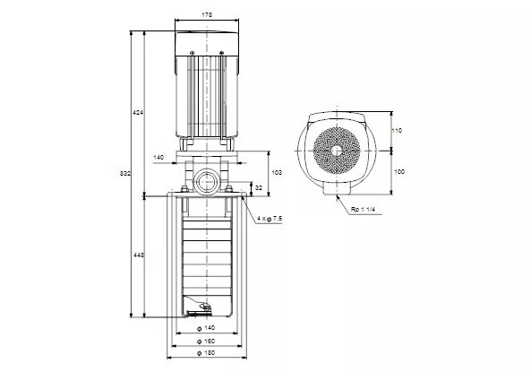
100 w a1hb a1jb