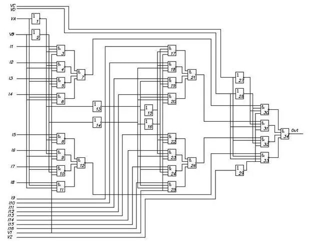
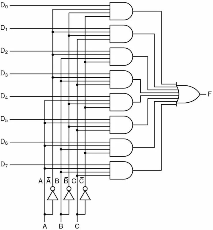
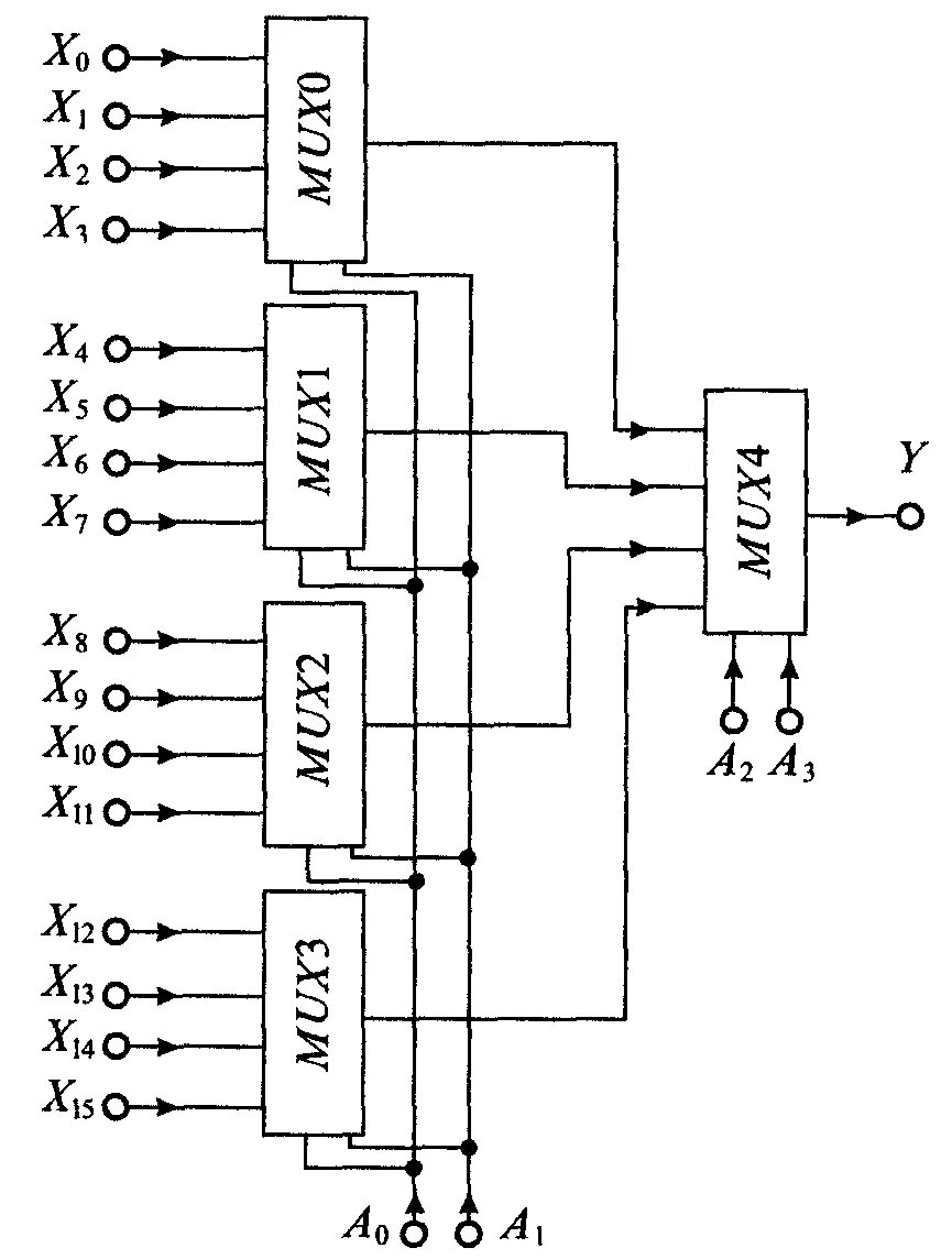
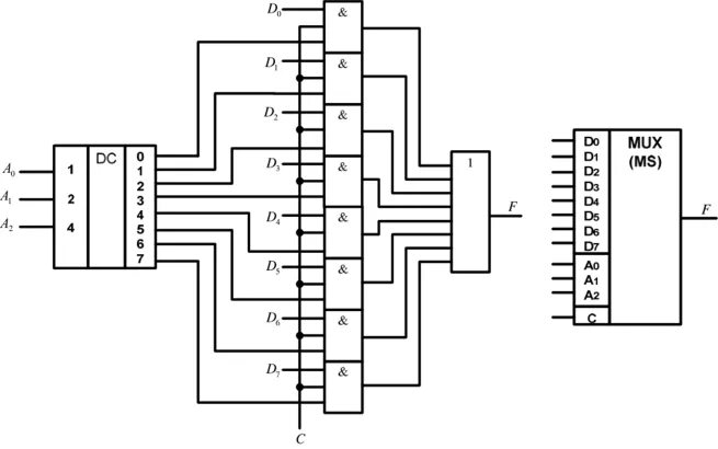
1 мультиплексор