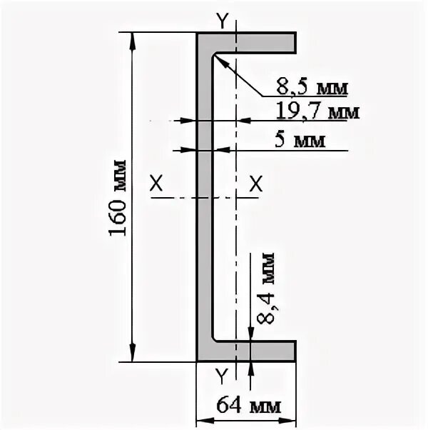
1 метр швеллера 16